Product Overview:Medium Voltage Automatic Transfer Switchgear is designed for use in AC 50Hz, rated voltage 12kV, rated current up to 630–1250A dual-power supply systems. In the event of a power loss or under-voltage in one source, it automatically transfers the load to the other healthy power source, ensuring highly reliable and continuous electrical supply. When the preferred power source fails, the transfer switchgear performs an automatic transition to the standby source, maintaining system reliability and safety. It also allows manual selection between the two power sources based on load requirements.
Scope of Application:It is an “auto-transfer and auto-reset” type dual-power automatic switching system designed to be used in conjunction with high-voltage vacuum circuit breakers. Major applications include hospitals, shopping malls, banks, chemical plants, metallurgical facilities, high-rise buildings, military installations, firefighting systems, and other vital locations where power interruption is not permitted.
Medium Voltage Automatic Transfer Switchgear/Introduction
Medium Voltage Automatic Transfer Switchgear is designed for use in AC 50Hz, rated voltage 12kV, rated current up to 630–1250A dual-power supply systems. In the event of a power loss or under-voltage in one source, it automatically transfers the load to the other healthy power source, ensuring highly reliable and continuous electrical supply.
Equipped with short-circuit and overcurrent protection, as well as mechanical and electrical interlocking, it effectively prevents unnecessary re-energization impacts to the load in case of fault conditions. When the preferred power source fails, the transfer switchgear performs an automatic transition to the standby source, maintaining system reliability and safety. It also allows manual selection between the two power sources based on load requirements.
Particularly suited for critical installations where uninterrupted power is essential, this automatic transfer switchgear serves as a key electrical control device to guarantee continuous operation. It is an “auto-transfer and auto-reset” type dual-power automatic switching system designed to be used in conjunction with high-voltage vacuum circuit breakers. Major applications include hospitals, shopping malls, banks, chemical plants, metallurgical facilities, high-rise buildings, military installations, firefighting systems, and other vital locations where power interruption is not permitted.
The Medium Voltage Automatic Transfer Switchgear ensures safe and reliable performance of line protection and automatic source transfer at the medium-voltage level, thereby delivering continuous, dependable, and secure power supply to important loads on the load side.
Medium Voltage Automatic Transfer Switchgear/Product Advantages
An integrated design dedicated dual power supply switching equipment, using cylindrical pole technology and modular mechanism technology, integrates two power supplies into one drawout circuit breaker product, compatible with center-mounted switchgear with insulation structure. It achieves a dual power supply switching solution in one 800mm wide center-mounted cabinet, and is equipped with dual power supply PTP drawouts, high mechanism reliability, excellent insulation performance, good product consistency, flexible application solutions, and maximizes space saving.
Integrated design: Employs an integrated design philosophy.
Uses cylindrical pole technology: Compact size, excellent electrical and mechanical performance, high stability.
Single unit realizes dual power supply solution, compatible with center-mounted cabinet of 800mm width and 2200mm height.
Integrated mechanism reliability and low-loss electrical system.
Drawout structure with working position, test position, and isolation position.
Seamless interchangeable wiring.
Various solutions provide grounding protection.
Optional bilateral connection position PTP drawout.
Bilateral connection positions allow for busbar splicing with adjacent units.
Capable of dual power supply automatic control and fast switching.
High structural stability, mature moving mechanism.
Equipped with reclosing function.
Non-conductive communication capability to meet control requirements.
High corrosion resistance reliability under short-circuit load, service life over 30,000 operations.
Manual braking system for separation operation, also operable during running.
Latching mechanism can be configured with a controller using continuous latching principle to reduce certain risks.
Rated power and capacity of dual power supply circuits are located in independently solid-insulated poles, avoiding inter-power flame retardance issues.
Current deviation due to drainage.
Switching level mechanism ensures power supply meets national standard requirements, preventing issues such as voltage superposition during power transfer.
Electromechanical integrated design: High switching efficiency, flexibility, reliability, good electromagnetic compatibility, strong anti-interference capability.
Configured with online monitoring module, featuring intelligent functions such as contact reliability judgment, opening/closing operation, and mechanism stability assessment.”

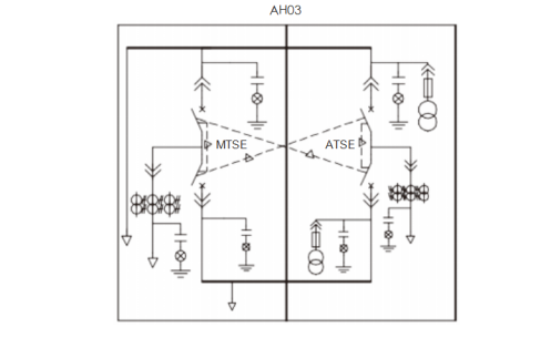
Typical Schematics for Medium Voltage Automatic Transfer Switchgear

Typical Schematic for Medium Voltage Automatic Transfer Switchgear
Diagram of the Medium Voltage Automatic Transfer Switchgear
The schematic diagram for the Medium Voltage Automatic Transfer Switchgear is shown below. However, based on the fundamental structure of the switchgear, the various primary circuit diagrams can be flexibly combined to achieve different functional requirements and meet diverse customer needs. Furthermore, please be advised that if all the schemes provided in the table still do not meet the user’s requirements, please contact our company’s technical department. Upon mutual agreement, our company can undertake the design and manufacture of custom solutions




